(주)대성하이테크

제품소개

대성하이테크는 최고의 제품과 품질을 선도합니다.

곡선형

LBP Chain은 체인에 롤러를 취부하여 제품 이송 중 발생하는 제품의 손상을 최대한 줄일 수 있는 환경에 적합하다.

TAB TYPE MAGNETIC TYPE

HEAVY DUTY TAB LBP

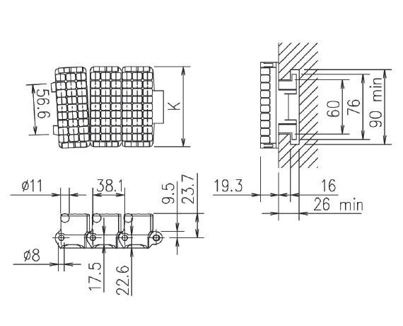
CHAIN TYPE CODE.NO PLATE WIDTH
K
WEIGHT SURFACE
FLATNESS
WORKING
LOAD
mm inch kg/m R N
HDF 375 LBP 1128 95.3 3.75 3.30 610 3830
HDF 375 LBP
CODE.NO : 1128
PLATE WIDTH
K (mm)
PLATE WIDTH
K (inch)
WEIGHT
(kg/m)
SURFACE
FLATNESS (R)
WORKING
LOAD (N)
95.3
3.75
3.30
610
3830
Standard length : 3.048m - 10 feet (80 links)