(주)대성하이테크

제품소개

대성하이테크는 최고의 제품과 품질을 선도합니다.

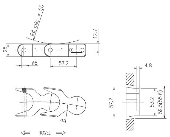
PR 200XL

특별한 제품의 완벽한 이송 좁은 공간에서 사용 용이 낮은소음
CHAIN TYPE CODE.NO PLATE WIDTH
K
WEIGHT SURFACE
FLATNESS
WORKING
LOAD
mm inch kg/m R N
PR 200XL 1139 55 2.09 1.43 150 2670
PR 200XL
CODE.NO : 1139
PLATE WIDTH
K (mm)
PLATE WIDTH
K (inch)
WEIGHT
(kg/m)
SURFACE
FLATNESS (R)
WORKING
LOAD (N)
55
2.09
1.43
150
2670
Standard length : 3.048m - 10 feet (60 links)