(주)대성하이테크

제품소개

대성하이테크는 최고의 제품과 품질을 선도합니다.

CLIP TOP CHAINS

스틸체인, 스텐체인, 복열체인에 적용 파손되어도 부분 보완이 가능 산업재해 예방 제품 손상 방지
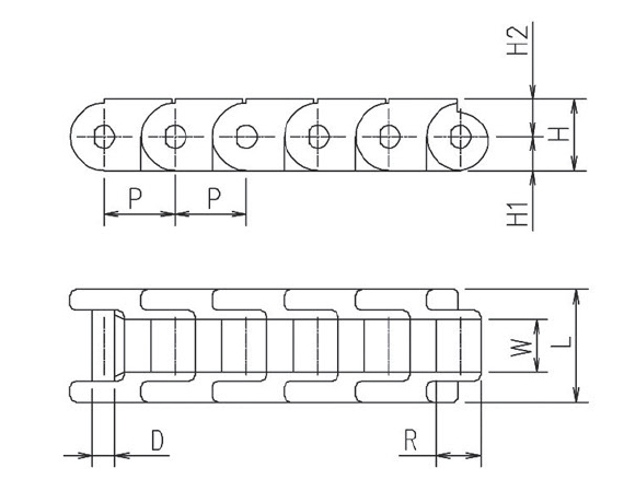
MODEL LINK PIN P R W L H1 H2 D 무게
RS40 ACETAL STAINLESS
STEEL
12.7 7.94 7.95 20 6 6.7 4 0.36
RS60 19.05 11.91 12.7 30 8.5 8.8 6 0.72
RS40
LINK : ACETAL / PIN : STAINLESS STEEL
P
R
W
L
H1
H2
D
무게
12.7
7.94
7.95
20
6
6.7
4
0.36
RS60
LINK : ACETAL / PIN : STAINLESS STEEL
P
R
W
L
H1
H2
D
무게
19.05
11.91
12.7
30
8.5
8.8
6
0.72