(주)대성하이테크

제품소개

대성하이테크는 최고의 제품과 품질을 선도합니다.

직선형

Plastic Table Top Chain은 페트류, 캔류, 박스류 등을 이송하는데 적합하다.

무윤활 재질 : 일반 재질보다 25%이상 수명이 늘어난다.. WX 재질 : 마모에 강한 재질 적용 환경에 따라 다른 재질이 공급 가능하다.

STRAIGHT RUN SINGLE-HINGE

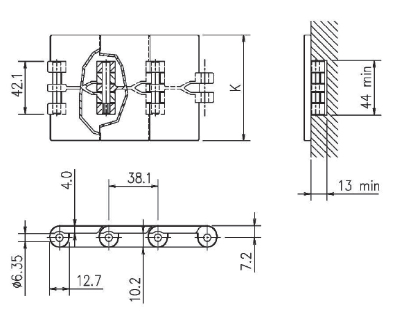
CHAIN TYPE CODE.NO PLATE WIDTH
K
WEIGHT SURFACE
FLATNESS
WORKING
LOAD
mm inch kg/m mm N
LF 820-K250 1101 63.5 2.50 0.73 1230
LF 820-K325 1102 82.5 3.25 0.83 1230
LF 820-K325PP 1103 82.5 3.25 0.63 1230
LF 820-K400 1104 101.6 4.00 0.95 Acetal 1200
LF 820-K450 1105 114.3 4.50 1.03 1230
LF 820-K600 1106 152.4 6.00 1.25 1230
LF 820-K750 1107 190.5 7.50 1.47 1230
LF 820-K250
CODE.NO : 1101
PLATE WIDTH
K (mm)
PLATE WIDTH
K (inch)
WEIGHT
(kg/m)
SURFACE
FLATNESS
WORKING
LOAD (N)
63.5
2.50
0.73
Acetal
1230
LF 820-K325
CODE.NO : 1102
PLATE WIDTH
K (mm)
PLATE WIDTH
K (inch)
WEIGHT
(kg/m)
SURFACE
FLATNESS
WORKING
LOAD (N)
82.5
3.25
0.83
Acetal
1230
LF 820-K325PP
CODE.NO : 1103
PLATE WIDTH
K (mm)
PLATE WIDTH
K (inch)
WEIGHT
(kg/m)
SURFACE
FLATNESS
WORKING
LOAD (N)
82.5
3.25
0.63
Acetal
1230
LF 820-K400
CODE.NO : 1104
PLATE WIDTH
K (mm)
PLATE WIDTH
K (inch)
WEIGHT
(kg/m)
SURFACE
FLATNESS
WORKING
LOAD (N)
101.6
4.00
0.95
Acetal
1200
LF 820-K450
CODE.NO : 1105
PLATE WIDTH
K (mm)
PLATE WIDTH
K (inch)
WEIGHT
(kg/m)
SURFACE
FLATNESS
WORKING
LOAD (N)
114.3
4.50
1.03
Acetal
1230
LF 820-K600
CODE.NO : 1106
PLATE WIDTH
K (mm)
PLATE WIDTH
K (inch)
WEIGHT
(kg/m)
SURFACE
FLATNESS
WORKING
LOAD (N)
152.4
6.00
1.25
Acetal
1230
LF 820-K750
CODE.NO : 1107
PLATE WIDTH
K (mm)
PLATE WIDTH
K (inch)
WEIGHT
(kg/m)
SURFACE
FLATNESS
WORKING
LOAD (N)
190.5
7.50
1.47
Acetal
1230
Standard length : 3.048m - 10 feet (80 links)
Pin material : stainless steel