(주)대성하이테크

제품소개

대성하이테크는 최고의 제품과 품질을 선도합니다.

직선형

Steel Table Top Chain은 긴 수명과 고강도의 장력을 요구하는 조건에 쓰이며, 병류와 페트 류, 캔류 등을 이송하는데 적합하다.

장점 수명이 길다. 높은 허용하중을 가진다. 높은 마모저항을 가진다.

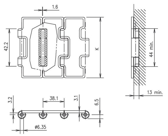
STRAIGHT RUN SINGLE-HINGE

CHAIN TYPE CODE.NO PLATE WIDTH
K
WEIGHT SURFACE
FLATNESS
WORKING
LOAD
mm inch kg/m mm N
60 S 22 SM 1001 63.5 2.50 2.14 0.18 6000
60 S 30 M 1002 76.2 3.00 2.43 0.18 6000
10 S 31 M 1003 82.5 3.25 2.61 0.18 4950
10 S 42 M 1004 114.3 4.50 3.28 0.25 4950
60 S 60 M 1005 152.4 6.00 4.14 0.40 6000
10 S 72 M 1006 190.5 7.50 4.99 0.60 4950
60 S 22 SM
CODE.NO : 1001
PLATE WIDTH
K (mm)
PLATE WIDTH
K (inch)
WEIGHT
(kg/m)
SURFACE
FLATNESS (mm)
WORKING
LOAD (N)
63.5
2.50
2.14
0.18
6000
60 S 30 M
CODE.NO : 1002
PLATE WIDTH
K (mm)
PLATE WIDTH
K (inch)
WEIGHT
(kg/m)
SURFACE
FLATNESS (mm)
WORKING
LOAD (N)
76.2
3.00
2.43
0.18
6000
10 S 31 M
CODE.NO : 1003
PLATE WIDTH
K (mm)
PLATE WIDTH
K (inch)
WEIGHT
(kg/m)
SURFACE
FLATNESS (mm)
WORKING
LOAD (N)
82.5
3.25
2.61
0.18
4950
10 S 42 M
CODE.NO : 1004
PLATE WIDTH
K (mm)
PLATE WIDTH
K (inch)
WEIGHT
(kg/m)
SURFACE
FLATNESS (mm)
WORKING
LOAD (N)
114.3
4.50
3.28
0.25
4950
60 S 60 M
CODE.NO : 1005
PLATE WIDTH
K (mm)
PLATE WIDTH
K (inch)
WEIGHT
(kg/m)
SURFACE
FLATNESS (mm)
WORKING
LOAD (N)
152.4
6.00
4.14
0.40
6000
10 S 72 M
CODE.NO : 1006
PLATE WIDTH
K (mm)
PLATE WIDTH
K (inch)
WEIGHT
(kg/m)
SURFACE
FLATNESS (mm)
WORKING
LOAD (N)
190.5
7.50
4.99
0.60
4950
Standard length : 3.048m - 10 feet (80 links)
Pin material : stainless steel AISI 431