(주)대성하이테크

제품소개

대성하이테크는 최고의 제품과 품질을 선도합니다.

SIDE FLEXING CHAINS1050 (M)

특별한 제품의 완벽한 이송 좁은 공간에서 사용 용이 낮은소음

SIDE FLEXING CHAINS1050 (M)

CHAIN TYPE CODE.NO PLATE WIDTH
K
WEIGHT SURFACE
FLATNESS
WORKING
LOAD
mm inch kg/m R N
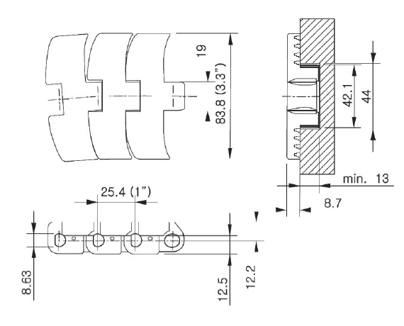
FTM 1060 XLG 1132 83.8 3.30 1.60 500 1900
FTM 1060 XLG
CODE.NO : 1132
PLATE WIDTH
K (mm)
PLATE WIDTH
K (inch)
WEIGHT
(kg/m)
SURFACE
FLATNESS (R)
WORKING
LOAD (N)
83.8
3.30
1.60
500
1900
Standard length : 3.048m - 10 feet (120 links)