(주)대성하이테크

제품소개

대성하이테크는 최고의 제품과 품질을 선도합니다.

곡선형

LBP Chain은 체인에 롤러를 취부하여 제품 이송 중 발생하는 제품의 손상을 최대한 줄일 수 있는 환경에 적합하다.

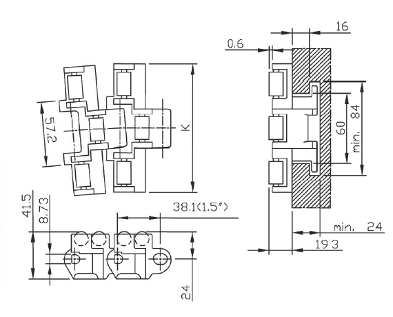
TAB TYPE MAGNETIC TYPE
CHAIN TYPE CODE.NO PLATE WIDTH
K
WEIGHT SURFACE
FLATNESS
WORKING
LOAD
mm inch kg/m R N
LBP 883TAB-K450 1126 114.3 4.50 2.50 610 3830
LBP 883TAB-K750 1127 190.5 7.50 3.40
LBP 883TAB-K450
CODE.NO : 1126
PLATE WIDTH
K (mm)
PLATE WIDTH
K (inch)
WEIGHT
(kg/m)
SURFACE
FLATNESS (R)
WORKING
LOAD (N)
114.3
4.50
2.50
610
3830
LBP 883TAB-K750
CODE.NO : 1127
PLATE WIDTH
K (mm)
PLATE WIDTH
K (inch)
WEIGHT
(kg/m)
SURFACE
FLATNESS (R)
WORKING
LOAD (N)
190.5
7.50
3.40
610
3830
Standard length : 3.048m - 10 feet (80 links)