(주)대성하이테크

제품소개

대성하이테크는 최고의 제품과 품질을 선도합니다.

곡선형

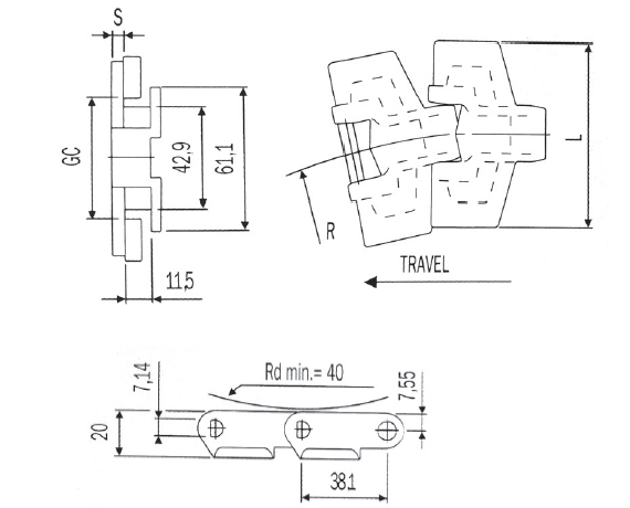
Rubber Table Top Chain은 페트류, 캔류, 박스류 등을 이송하는데 적합하다.

분류 TAB TYPE BEVEL TYPE

TABFLEX BO-CHAIN

CHAIN TYPE CODE.NO PLATE WIDTH
K
WEIGHT SURFACE
FLATNESS
WORKING
LOAD
mm inch kg/m R N
LF 880TAB-K325BO 1118 82.5 3.25 0.96 190 1680
LF 880TAB-K325BO
CODE.NO : 1118
PLATE WIDTH
K (mm)
PLATE WIDTH
K (inch)
WEIGHT
(kg/m)
SURFACE
FLATNESS (R)
WORKING
LOAD (N)
82.5
3.25
0.96
190
1680
Standard length : 3.048m - 10 feet (80 links)