(주)대성하이테크

제품소개

대성하이테크는 최고의 제품과 품질을 선도합니다.

곡선형

Rubber Table Top Chain은 페트류, 캔류, 박스류 등을 이송하는데 적합하다.

분류 TAB TYPE BEVEL TYPE

STANDARD RADIUS CHAIN (SIDE FLEX RUN)

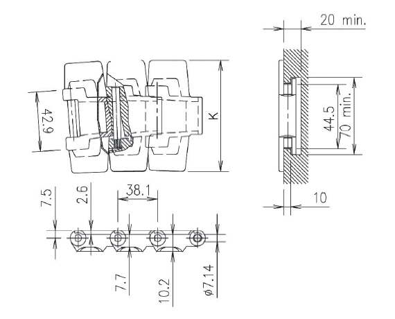
CHAIN TYPE CODE.NO PLATE WIDTH
K
WEIGHT SURFACE
FLATNESS
WORKING
LOAD
mm inch kg/m R N
LF 880TAB-K325 1113 82.5 3.25 0.94 500 2100
LF 880TAB-K450 1114 114.3 4.50 1.08
LF 880TAB-K325
CODE.NO : 1113
PLATE WIDTH
K (mm)
PLATE WIDTH
K (inch)
WEIGHT
(kg/m)
SURFACE
FLATNESS (R)
WORKING
LOAD (N)
82.5
3.25
0.94
500
2100
LF 880TAB-K450
CODE.NO : 1114
PLATE WIDTH
K (mm)
PLATE WIDTH
K (inch)
WEIGHT
(kg/m)
SURFACE
FLATNESS (R)
WORKING
LOAD (N)
114.3
4.50
1.08
500
2100
Standard length : 3.048m - 10 feet (80 links)