(주)대성하이테크

제품소개

대성하이테크는 최고의 제품과 품질을 선도합니다.

PLATE TOP CHAINS

내구성을 요하는 환경. 간단한설계

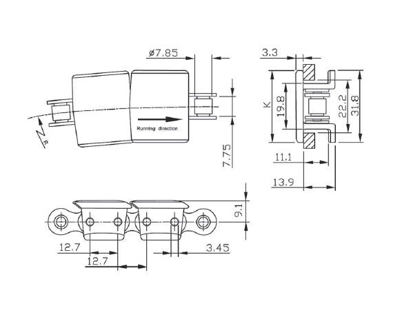
SIDEFLEX TAB PLASTIC TOP PLATE

CHAIN TYPE CODE.NO PLATE WIDTH
K
WEIGHT MATERIAL WORKING
LOAD
mm inch kg/m R N
LF1843-K125 1163 31.8 1.25 0.74 254 2700
LF 1843-K200 1164 50.8 2.00 0.90
Standard length : 3.048m - 10 feet (240 links)
LF1843-K125
CODE.NO : 1164
PLATE WIDTH
K (mm)
PLATE WIDTH
K (inch)
WEIGHT
(kg/m)
MATERIAL
(R)
WORKING
LOAD (N)
31.8
1.25
0.74
254
2700
LF 1843-K200
CODE.NO : 1164
PLATE WIDTH
K (mm)
PLATE WIDTH
K (inch)
WEIGHT
(kg/m)
MATERIAL
(R)
WORKING
LOAD (N)
50.8
2.00
0.90
254
2700
Standard length : 3.048m - 10 feet (240 links)