(주)대성하이테크

제품소개

대성하이테크는 최고의 제품과 품질을 선도합니다.

PLASTIC CASE CONVEYOR CHAINS

내구성을 요하는 환경 간단한설계
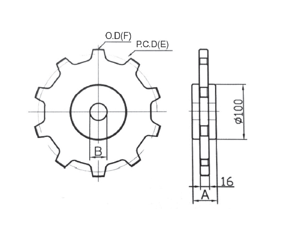
CODE.NO TEETH BORE PITCH
DIAMETER
PITSODE
DIAMETER
WIDTH
B(mm) E(mm) F(mm) A(mm)
1142 8T 25
30
35
182.9 183.4 43
1143 10T 226.5 227
1142
TEETH : 8T
BORE
B(mm)
PITCH DIA.
E(mm)
PITSODE DIA.
F(mm)
WIDTH
A(mm)
25
30
35
182.9
183.4
43
1143
TEETH : 10T
BORE
B(mm)
PITCH DIA.
E(mm)
PITSODE DIA.
F(mm)
WIDTH
A(mm)
25
30
35
226.5
227
43