(주)대성하이테크

제품소개

대성하이테크는 최고의 제품과 품질을 선도합니다.

직선형

LBP Chain은 체인에 롤러를 취부하여 제품 이송 중 발생하는 제품의 손상을 최대한 줄일 수 있는 환경에 적합하다.

소음이 적다. 수명이 길다. 제품의 이송 라인에 적합하다.

STRAIGHT RUN DOUBLE HINGE LBP

CHAIN TYPE CODE.NO PLATE WIDTH
K
WEIGHT SURFACE
FLATNESS
WORKING
LOAD
mm inch kg/m R N
SWH 750 LBP 1120 190.5 7.50 5.30 Acetal 1230
SWH 1000 LBP 1121 254.0 10.00 6.60
SWH 1200 LBP 1122 304.8 12.00 7.65
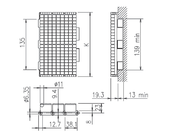
SWH 750 LBP
CODE.NO : 1120
PLATE WIDTH
K (mm)
PLATE WIDTH
K (inch)
WEIGHT
(kg/m)
SURFACE
FLATNESS (R)
WORKING
LOAD (N)
190.5
7.50
5.30
Acetal
1230
SWH 1000 LBP
CODE.NO : 1121
PLATE WIDTH
K (mm)
PLATE WIDTH
K (inch)
WEIGHT
(kg/m)
SURFACE
FLATNESS (R)
WORKING
LOAD (N)
254.0
10.00
6.60
Acetal
1230
SWH 1200 LBP
CODE.NO : 1122
PLATE WIDTH
K (mm)
PLATE WIDTH
K (inch)
WEIGHT
(kg/m)
SURFACE
FLATNESS (R)
WORKING
LOAD (N)
304.8
12.00
7.65
Acetal
1230
Standard length : 1.524m - 5 feet (40 links)