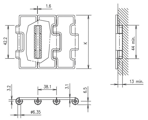
STRAIGHT RUN SINGLE-HINGE
페이지 정보

본문

| CHAIN TYPE | CODE.NO | PLATE WIDTH K | WEIGHT | SURFACE FLATNESS | WORKING LOAD | |
|---|---|---|---|---|---|---|
| mm | inch | kg/m | mm | N | ||
| 60 S 22 SM | 1001 | 63.5 | 2.50 | 2.14 | 0.18 | 6000 |
| 60 S 30 M | 1002 | 76.2 | 3.00 | 2.43 | 0.18 | 6000 |
| 10 S 31 M | 1003 | 82.5 | 3.25 | 2.61 | 0.18 | 4950 |
| 10 S 42 M | 1004 | 114.3 | 4.50 | 3.28 | 0.25 | 4950 |
| 60 S 60 M | 1005 | 152.4 | 6.00 | 4.14 | 0.40 | 6000 |
| 10 S 72 M | 1006 | 190.5 | 7.50 | 4.99 | 0.60 | 4950 |
Standard length : 3.048m - 10 feet (80 links)
Pin material : stainless steel AISI 431
댓글목록
등록된 댓글이 없습니다.
